Esr Of Capacitor Definition

Capacitor Equivalent Series Resistance Esr Estimation For


Dissipation Factor Esr Illinois Capacitor

Edn Don T Let Esr Waste Power And Cook Capacitors Bill
![]()
Electrolytic Capacitor Wikipedia

High Reliability Solid Tantalum Capacitors Avx

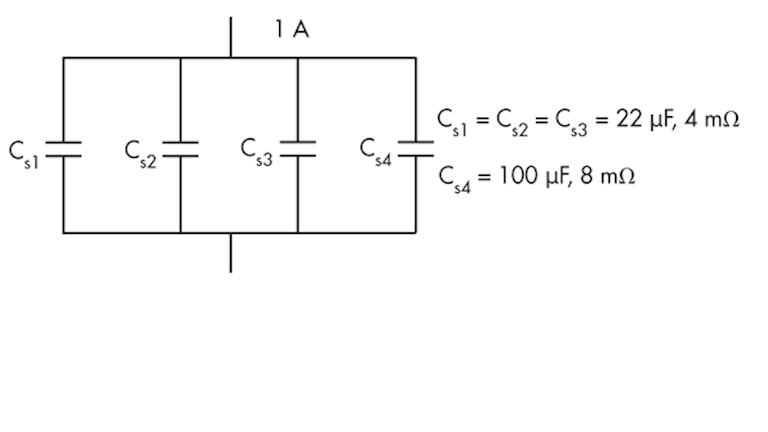
Determine Equivalent Esr Ripple Voltage And Currents For

Arduino Cap Esr Freq Meter 6 Steps Instructables

Device Specific Power Delivery Network Pdn Tool 2 0 User Guide
Time Evolution Of The Esr Indicator Download Scientific

Polymer Hybrid Capacitors Tapping Into Expertise At Its
![]()
Determining The Equivalent Series Resistance Esr Of

Understanding Esr In Electrolytic Capacitors Avnet Abacus

Key Indicators Of Condition Monitoring And Their Steps A

Definition Of Capacitor Losses Esr Z Df Q Doeeet Com

Details About 680uf 25v Radial Electrolytic Capacitor 105c Low Esr And Impedance

Equivalent Series Resistance Esr Meter Capacitor Series And
Post a Comment for "Esr Of Capacitor Definition"